Sign In         Specifying Software      
 
    Home        About Us        Contact Us        Help Buy Online or Call 1-800-476-5888  
 
 
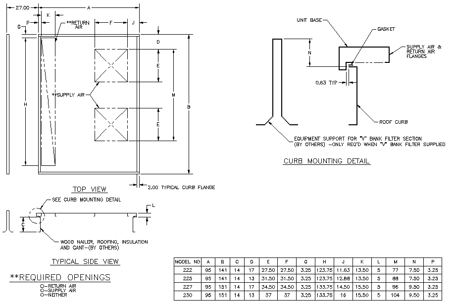
Curb Section View

 
 
 

Security Policy     Privacy Policy     Legal Notice     Warranty     Return Policy
Copyright ® 2003-2014 Thermotek All Rights Reserved.