Sign In
Specifying Software
Home
About Us
Contact Us
Help
Buy Online or Call 1-800-476-5888
Heaters
Compact Direct Fired
Direct Fired
Direct Fired Industrial Horizontal
Direct Fired Industrial Vertical
Electric
Exhaust Fans
Axial Roof-mount
Axial Wall-mount
Ceiling & Inline
Centrifugal Downblast
Centrifugal Upblast
Gravity Vent
High Volume Low Speed
Inline
Utility Sets
Make-Up Air
Accessories »
Economy
Inline Filtered
Rooftop Filtered
Cooling Modules
Heating Modules
Intake/Discharge Accessories
DUCTWORK
Single Wall Grease Duct
Double Wall Grease Duct
Chimney
Special Gas Vent
HVAC Supply Duct
Kitchen Ventilation
Grease Duct
Island Hood
Low Proximity Hood
Pollution Control
Wall Canopy Hood
Electrical Controls
Fire Suppression
HVAC
CASLINK
Resources
Product Support
Literature
Building Heat System
Fan Cross Reference
Revit Models
Request Product Information
Specifying Software
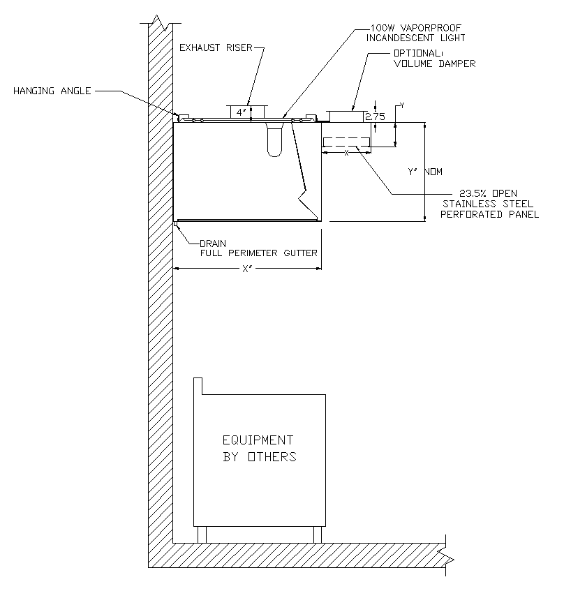
Double Wall with gutter and PSP Section View
Download Drawing
Print
Security Policy
Privacy Policy
Legal Notice
Warranty
Return Policy
Copyright ® 2003-2014 Thermotek All Rights Reserved.